Схемы для подключения ЛДС

Для подключения обычных ламп дневного света существует несколько схем. При их применении необходимо обращать внимание на суммарную мощность нагрузки (особенно при подборе дросселей-балластов) и напряжения на отдельных элементах (особенно стартерах - стартеры выпускаются двух типов: полное напряжение (220В) и половинное)
В некоторых дросселях-балластах имеется первичная коммутация проводников В связи с этим схема подключения ЛДС может немного измениться. Поможет в этом схема на корпусе пуско-регулирующего устройства.

Большинство схем с применением ЛДС имеет на входе конденсатор-фильтр для защиты потребителей от помех (импульсов) при включении-выключении приборов.
- Подключение одиночной лампы дневного света.
- Последовательное подключение ЛДС
- Параллельное подключение люминесцентных ламп.
- Схемы с фазосдвигающим конденсатором
- Современные электронные схемы подключения люминесцентных ламп дневного света
- Редкие схемы подключения ЛДС
1. Самая простая схема для подключения одиночной лампы дневного света. При использовании одиночных ламп возможно мерцание света лампы, что неблагоприятно сказывается на восприятии света. В этом случае следует отдавать предпочтение современным электронным схемам пуско-регулирующих устройств (ПРА). Там же могут быть указаны предельные мощности нагрузки на данный прибор.

2. В светильниках с применением ЛДС обычно используют парное количество ламп (2 или 4). В них эффект мерцания света менее заметен.
При этом сами трубки ламп соединяются парами последовательно или параллельно. В одной из веток может ставиться фазосдвигающий конденсатор для уменьшения общего мерцания - лампы мерцают поочередно и суммарно имеем более стабильное свечение.
а) Последовательная схема. (на стартерах половинное напряжение - тип S2).

б) Параллельная схема. (на стартерах полное напряжение 220В)

в)Параллельная схема с фазосдвигающим конденсатором.

г) Современные схемы. В современных люминесцентных светильниках применяют бездроссельную и безстартерную схему. Эти устройства заменяет электронная схема (электронный балласт), обеспечивающая надежный пуск и стабильную работу ЛДС.
Промышленность выпускает два вида электронных устройств для пуска и работы люминесцентных ламп:
.- в пластиковом корпусе из которого выходят подсоединительные проводники.Схема подключения обычно нарисована на корпусе прибора.

- сама электронная плата без защитного корпуса, вставляемая в специальные держатель. В момент написания статьи его размеры близки к размерам спичечного коробка. При обслуживании такой электронной платы следует обратить внимание на состояние защитного лакового покрытия. Оно легко разрушается при вытягивании из держателей. При последующей установке назад возможно замыкание элементами крепления участков платы и выхода ее из строя. Можно кромку платы обвернуть изолентой в месте упора держателей.
Эти же схемы применяют и в настольных люминесцентных лампах.

Анализ поисковых запросов показывает, что часть пользователей интересуется люминесцентными светильниками. Применяются обычно светильники из двух или четырех люминесцентных ламп (схема 4-х лампового светильника).
На данный момент могу проинформировать о наличии электронного балласта для светильника из 4-х ламп по 18 Вт. Вскрытие корпуса показало, что в нем применена схема аналогичная для ламп-экономок. На одной плате смонтировано две схемы для подключения двух ЛДС каждая..

На мой взгляд экономичнее в плане ремонта использовать 2 отдельных балласта (другого типа) по одному на две лампы. В первом случае при поломке придется менять весь прибор, а во втором две лампы будут работать.
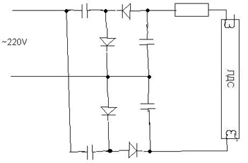
д) Редкие схемы. В некоторых случаях применяют бездроссельную схему с уможителем напряжения. Поскольку для розжига ЛДС необходимо напряжение несколько большее 220В, в этой схеме имеется умножитель напряжения (4 диода и 2 конденсатора), обеспечивающий стабильное включение и работу лампы даже с перегоревшей нитью разогрева (она здесь просто не нужна). Параметры электронных компонентов не указаны (схема интересна только отдельным энтузиастам)- их легко можно найти при надобности на других сайтах. Диоды и конденсаторы в принципе легкопокупаемые на радиорынках, а вот с резистором (довольно большая мощность) могут быть проблемы в наличии.

Есть и другие варианты схем питания ЛДС (Н.П. постоянным током и др.), но практического применения они не имеют. При питании постоянным током на колбе лампы со временем образуется темная область (пятно), уменьшающая силу света. Высоковольтные схемы питания ЛДС приводят к быстрому износу электродов лампы.
На практике нестандартные схемы включения ЛДС никакого выигрыша во время эксплуатации НЕ ДАЮТ и интересны только для одиночных любителей попробовать свои силы.
Некоторые особеннности в работе люминесцентных ламп.
- мигание лампы, лампа не может включиться - для устранения сначала поменять стартер, если не поможет - поменять лампу, проверить напряжение в сети.
- мерцание люминесентной лампы в т.ч. и компактной экономки даже в выключенном состоянии - чаще всего встречается если выключатель установлен на нулевом проводе.
Мне понравилась фраза - лампы накаливания - это вчерашний день, лампы дневного света - сегодняшний, а полупроводниковые (LED) - завтрашний день. Электрическая проводка делается на будущее. Перетереть стены, потолок, поменять обои - данные работы делаются чаще чем замена электропроводки. Электропроводку следует делать с ориентацией на завтрашний день.
Также после 2015 года поставки люминесцентных ламп на Украину будут прекращаться. Идет переход на светодиодные источники света. Сейчас в продаже имеются практически все типы ламп (по внешнему виду) для замены устаревших источников света (ламп накаливания, люминесцентных) на современные светодиодные (LED). При установке светодиодных аналогов необходимо переделать схему подключения в самом светильнике. Фактически выбросить дросселя, стартеры, Оставляем только подсоединительные элементы (цокольный патрон, держатель), в которые вставляется (вкручивается) современня LED лампа. Светодиодные аналоги ламп подключаются напрямую в сеть 220В. Необходимые вспомогательные элементы находятся внутри самих приборов.